任务详情
- 访问人数: 18
- 2021-12-23 10:37
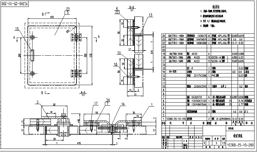
20211223305-YC300-25-10-100-20211222
预算金额 ¥675
25
投标人数
完成周期
6天截止日期
2021年12月24日任务类型
三维建模指定软件
CREO软件版本
3.0所需技能
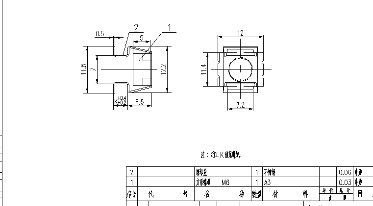
任务简介
1、根据提供的内装-检查门组成的二维图,按照提供模板转换为CREO3.0格式的三维模型。 2、根据BOM完成组件的装配。1、内装-检查门的二维图总共5张(不含未出图)。所展示的图纸为其中代表性图纸。 2、按照图纸明细表绘制完成装配图。 3、未出图零件号按照明细表顺序排列 4、胶合板需要画出贴面板结构 5、沉头螺栓需要画出沉孔位置,自攻钉不绘制 6、五金件画外形即可 7、使用模板包进行制图。
